1-channel transmitter with 16 selectable codes (PIC12C508)

RC5 is not suitable as a barrier to race out to whoever is the winner. Two or more RC5 channel interfere with each other and the protocol itself also takes time for the transfer. If more than one car with RC5 transmitter arrive close together, it can well be the first and the second triggers the stopwatch. IR does not pass through optical barriers through. Two car side by side is thus not before. Infrared is used in daylight outside, not really a good idea (the sun bothers!). With luck we can get a LOT still to reach 3m. Some wondered whether it was possible to hold down the button to send continuously or only one output to switch as long as a button is pressed. Is it possible that an output remains active for a certain time only? Yes, of course, is all that. This must DU EVEN each program change. I do not do that for you.
If the recipients are TSOP1836 TSOP1736 and specified. You need of course only one of them.
Which of the two is better? No idea.
After I had finished the RC5 tester, I have also done the same because a station building itself. The first attempt I have made with a PIC16F873. I used the PWM module to generate the frequency of 36kHz. Worked fine, but actually that was all much too large for a single channel. The 36kHz can also hold smaller produce PIC’s. These recipients are then a whole family of channels and come out.
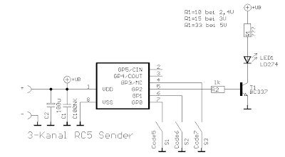
On the function of the transmitter:
The PIC’s run in sleep mode until a key is pressed. The power consumption is then under 1uA. The circuit can then switch to the battery for a long time be without. Even with 3V button cells, the device should work very long.
When a button is pressed, the distance will be five RC5-wave pulse sent from the 50ms. That should suffice for the recipient to receive the code. After the PIC goes back into sleep mode. There is no repeat of the keys. This prevents the battery is discharged which when a key is pressed constantly unintentionally. All channels use the device code 29 to VCR, TV or CD player is not interfering.
! Attention!
In contrast to “normal” RC5 remotes do I change the toggle bit is not in any keystroke. Each key has a separate toggle. This is easier to force the receiver. It is therefore not possible, the receiver with a RC5 remote control to use! It is only with my stations.
For short distances, the LED directly from R2 (then 150 ohms or greater) to be connected and ground. The proposed power amplifier current is of about 100mA. Some of my remotes blow up to 250mA through the LED. For 5V could to increase the transmission power, a second LED in series with LED1. R1 is then 22 ohms.
About J0-3, the command code to be sent from 0-15 are set in binary code. Before each mission, the jumpers are queried. To send the code can then restart the PIC’s example by an additional circuit to be changed without it. As a clock for the PIC here I use the internal RC-oscillator. The is more precise than I had expected. Between 3V and 5V, it is no problem with the recipient. At 2.5 V (2xNiCd cell) it works but not always. Even at extreme temperatures, there could be problems. There must be a quartz oscillator to GP4 be connected fifth the number of adjustable codes unfortunately falls to four. Source code and internal file I need for rich to.
3-channel transmitter (PIC12C508)
The transmitter sends the codes 5,6,7. GP4, 5 are open and are not used. Only GP0, 1,3 have internal pullups and can wake the PIC from sleep. the oscillator is the same as for the one-channel transmitter. GP4, 5 but are still free. So no problem.
5-channel transmitter (PIC16F84)
Although still at PORTB inputs are free only PORTB0, 4,5,6,7 used. The PIC can these inputs on an interrupt will wake from sleep only. Therefore, the maximum of five keys.PORTB4, 5,6,7 have internal pullups. The entrance to PORTB0 has no internal pullup resistor. Therefore, an external use. PORTB0 provides the code PORTB4 3 and 7, the codes just 4-7.
16-channel transmitter (PIC16F84)
This receiver is equivalent to one-channel transmitter intended to be, but can be used with the other stations also. It is suitable when only a single device or set to only one function is to be executed, eg light on / off, central locking open / close. With the jumpers, the codes will be set 0-1.
1-channel receiver with 16 selectable codes (PIC12C508)